²«ÌìÌÃapp¹ÙÍø

ÄúºÃ£¬»¶Ó­½øÈ벫ÌìÌÃapp¹ÙÍø¹ÙÍø£¡
¼¯ÍŹÙÍø| ²«ÌìÌÃapp¹ÙÍø¼Íί
²©ÌìÌÃapp

֪ͨͨ¸æ

Ê×Ò³ > ÐÂÎŶ¯Ì¬ > ֪ͨͨ¸æ
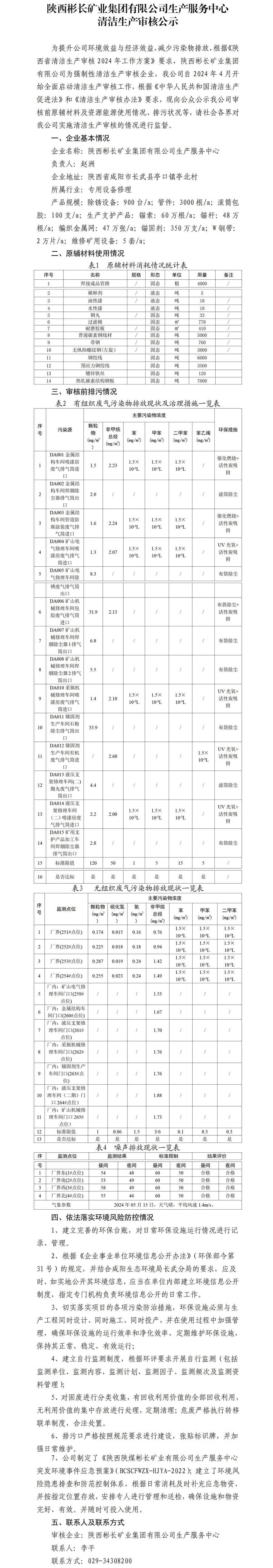
²«ÌìÌÃapp¹ÙÍøÉú²ú·þÎñÖÐÐÄÇå½àÉú²úÉóºË¹«Ê¾
Ðû²¼Ê±¼ä£º2024-07-15 16:03:28     ×÷ÕߣºÉú²ú·þÎñÖÐÐÄ   ä¯ÀÀÁ¿£º7708   ·ÖÏíµ½£º

¡¾Éú²ú·þÎñÖÐÐÄ¡¿Çå½àÉú²úÉóºË¹«Ê¾_01(1)_¸±±¾.jpg

µØÖ·£ºÏÌÑôÊÀ¼Í´óµÀÖжÎ58ºÅ²«ÌìÌÃapp¹ÙÍø´óÏà µç»°£º029-33191500 ´«Õ棺029-33191501
ÉÂICP±¸19005658-2 COPYRIGHT@201 ²«ÌìÌÃapp¹ÙÍø °æÈ¨ËùÓÐ ALL RIGHTS RESERVED
ɹ«Íø°²±¸ 61040202000465ºÅ    ÊÖÒÕÖ§³Ö£º¹è·åÍøÂç
ÍøÕ¾µØÍ¼